V encyklopedii Allmultimedia.cz byl aktivován špičkový grafický skin Foreground.
Foreground plně podporuje – RWD, HTML 5.0, Super Galerii a YouTube 2.0 !

Tranzistor

Z Multimediaexpo.cz

Tranzistory

Tranzistor je polovodičová součástka, kterou tvoří dvojice přechodů PN. Jedná se v podstatě o spojení dvou polovodičových diod v jedné součástce, většinu vlastností tranzistoru však dvojicí diod nahradit nelze. Tranzistor je základem všech dnešních integrovaných obvodů, jako např. procesorů, pamětí atd.

Tranzistorový efekt byl objeven a tranzistor vynalezen 16. prosince 1947 v Bellových laboratořích týmem ve složení William Shockley, John Bardeen a Walter Brattain. Za tento objev jim byla roku 1956 udělena Nobelova cena za fyziku, jednalo se o velmi významný objev, který vedl k faktickému vědeckotechnickému převratu v oblasti aplikované elektrotechniky, v praxi se to projevuje zejména obrovskou mírou miniaturizace jednotlivých součástek a tím i neustálým zvyšováním koncentrace polovodičových součástek vztaženou na jednotku plochy.

Každý tranzistor má (nejméně) tři elektrody, které se u bipolárních tranzistorů označují jako kolektor, báze a emitor, u unipolárních jako drain, gate a source. Podle uspořádání použitých polovodičů typu P nebo N se rozlišují dva typy bipolárních tranzistorů, NPN a PNP (prostřední písmeno odpovídá bázi). Unipolární tranzistory jsou označovány jako N-FET nebo P-FET.

Obsah

Základní typy tranzistorů

  • Bipolární (BJT - Bipolar Junction Transistor) je ovládán připojením elektrického proudu na bázi. Velikostí tohoto proudu se ovládá proud v obvodu procházejícího mezi emitorem a kolektorem.
  • Unipolární (FET) – využívají k řízení proudu mezi D a S (drain, source) elektrostatického pole, vytvořeného v obvodu řídící elektrody G (gate).
    • JFET – (Junction Field-Effect Transistor) Tranzistor s přechodovým hradlem.
    • MESFET – (MEtal Semiconductor FET) FET ve spojení se Schottkyho diodou (přechod kov-polovodič). Tento tranzistor má lepší dynamické vlastnosti.
    • MOSFET – (Metal Oxide Semiconductor FET) je polem řízený tranzistor, kde je vodivost kanálů mezi elektrodami Source a Drain ovládána elektrickým polem ve struktuře kov-oxid-polovodič. Tento tranzistor má možnost větší hustoty integrace (integrované obvody).
    • MISFET – (Metal Insulation Semiconductor FET)

Princip činnosti

Popis funkce bipolárního tranzistoru: uvažujme jednoduché zapojení tranzistoru NPN jako zesilovače: Přivedeme-li napětí na bázi tranzistoru, dojde k vyzdvižení elektronů polovodiče do vodivostního pásu, a tím se přechod NPN stane vodivý. Proud prochází z kolektoru do emitoru a jeho charakteristika je až na velikost stejná jako v bázi. Poměr I(ke)/I(b) se označuje jako zesílení tranzistoru.

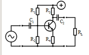
Základní zapojení

Zapojení tranzistorového zesilovače se společným emitorem

V elektronických obvodech může být tranzistor zapojen třemi základními způsoby. Podle elektrody, která je společná pro vstupní i výstupní signál se rozlišuje zapojení se společným emitorem (SE), společnou bází (SB) a společným kolektorem (SC). Nejčastěji se však používá zapojení se společným emitorem (SE), viz obrázek. Důležitou informaci o vlastnostech tranzistoru podávají jeho výstupní charakteristiky. Celková charakteristika se zakresluje do kartézského souřadnicového systému.

Matematický popis tranzistoru

K výpočtu zesilovacího činitele (jako například h21E) se používá tzv. hybridních rovnic.

u1 = h11 i1 + h12 u2
i2 = h21 i1 + h22 u2

Můžeme dosadit např. pro zapojení SE:

uBE = h11 iB + h12 uCE
iC = h21 iB + h22 uCE

z toho např. h11:

h11 = uBE / iB při uCE = 0, => UCE = konst.

Stejně tak platí vztah IE = IC + IB. Ten platí vždy a to v jakémkoli zapojení.

h11 = Diferenciální vstupní odpor při výstupu nakrátko.

h12 = Diferenciální zpětný napěťový přenos při vstupu naprázdno.

h21 = Diferenciální proudový přenos při výstupu nakrátko. (někdy uváděn jako hFE nebo β)

h22 = Diferenciální výstupní vodivost při vstupu naprázdno.

Můžeme také počítat s Admitančními rovnicemi :

i1 = y11 u1 + y12 u2
i2 = y21 u1 + y22 u2

  • Poznámka – všímejte si malých a velkých písmen, neboť velká jsou statické hodnoty a malá jsou dynamické - tzn. že velká písmena vyjadřují chování v ustáleném stavu při stejnosměrných veličinách, kdežto malá písmena určují chování (okamžité hodnoty) při střídavých veličinách. Je nutné brát toto v potaz!

Rozdělení tranzistorů podle výkonu

  • slaboproudé tranzistory (ať už jako jednotlivé součástky, obvykle tzv. výkonové tranzistory, či součástky integrované v čipech a mikročipech kupř. v mikropocesorech), nejčastěji používané i velice běžné ve všech moderních elektronických systémech z oblasti výpočetní techniky, telekomunikační techniky, spotřební elektroniky apod.
  • silnoproudé tranzistory, používané málo a to výhradně v oblasti silnoproudé elektroniky pouze pro velmi specializované technické aplikace (spolu se silnoproudými diodami a tyristory).

Doporučená literatura

  1. Valsa J.: Teoretická elektrotechnika I; VUT Brno, 1997
  2. Brančík L.: Elektrotechnika I; VUT Brno
  3. Dědková J: Elektrotechnický seminář; VUT Brno
  4. Musil V., Brzobohatý J., Boušek J., Prchalová I.: Elektronické součástky; VUT Brno, 1996
  5. Mikulec M., Havlíček V.: Základy teorie elektrických obvodů 1; ČVUT, 1997
  6. Stránský J. a kol.: Polovodičová technika I – učebnice pro elektrotechnické fakulty; SNTL; 1982
  7. Blahovec A.: Elektrotechnika I; Informatorium, 1997
  8. Blahovec A.: Elektrotechnika II; Informatorium, 1997
  9. Blahovec A.: Elektrotechnika III; Informatorium, 1997
  10. Maťátko J.: Elektronika; Idea Servis, 1997
  11. Syrovátko M.: Zapojení s polovodičovými součástkami; SNTL, 1987
  12. Frohn M., Oberthür W. a kol.: Elektronika – součástky a základní zapojení; BEN, 2006
  13. Vobecký J., Záhlava V.: Elektronika – součástky a obvody, principy a příklady; Grada Publishing; 2001
  14. Doleček J.: Moderní učebnice elektroniky 1.; BEN, 2005
  15. Doleček J.: Moderní učebnice elektroniky 2.; BEN, 2005
  16. Doleček J.: Moderní učebnice elektroniky 3.; BEN, 2005
  17. Doleček J.: Moderní učebnice elektroniky 4.; BEN, 2006

Související články

Externí odkazy