The final launch of the Allmultimedia.org will take place on February 24, 2026
(shortly after the 2026 Winter Olympics).
Elektrický odpor
Z Multimediaexpo.cz
Elektrický odpor je fyzikální veličina charakterizující schopnost elektrických vodičů vést elektrický proud.
Hodnota elektrického odporu je dána materiálem, tvarem i teplotou vodiče. Velikost odporu závisí na délce vodiče (přímo úměrně), na obsahu průřezu vodiče (nepřímo úměrně), na látce vodiče (měrný elektrický odpor) a na teplotě.
Závislost odporu na teplotě je rozdílná pro vodiče a polovodiče. Odpor vodičů se vzrůstající teplotou stoupá, kdežto odpor polovodičů se vzrůstající teplotou klesá.
Elektrický odpor má vždy kladnou hodnotu. Dobré vodiče kladou malý odpor, špatné vodiče kladou velký odpor.
Převrácená hodnota elektrického odporu je fyzikální veličina, která se nazývá elektrická vodivost.
Slovem odpor se označuje také pasivní elektrotechnická součástka, jejíž správný název je rezistor, a která se vyznačuje jedinou vlastností - elektrickým odporem.
Obsah |
Značení
- Značka veličiny: R (angl. Resistance)
- Základní jednotka: ohm, zkratka Ω
- Další používané jednotky: kiloohm, 1 kΩ = 1 000 Ω
Výpočet
Elektrický odpor lze určit z vlastností vodiče pomocí vztahu
- \( R = \frac{\rho l}{S}\),
kde \(\rho\) je měrný el. odpor (rezistivita materiálu), \(l\) je délka vodiče a \(S\) obsah průřezu vodiče.
K výpočtu lze také použít Ohmova zákona
- \( R = {U \over I}\),
kde U je napětí na koncích vodiče a I je proud procházející vodičem.
Měření
Eletrický odpor se měří digitálním nebo analogovým měřícím přistrojem nebo Ohmovou metodou, strovnávací metodou a substituční metodou. K napájení obvodu s odporem musíme použít vždy stejnosměrný proud, protože měřením při střídavém napájení bychom nezjistili velikost elektrického odporu, ale hodnotu impedance celého obvodu. Při měření elektrických odporů působí na měřící obvod různé rušivé vlivy, které mohou ovlivňovat zejména měření velmi malých nebo velmi velkých odporů. Mezi tyto rušivé vlivy patři mimo jiné parazitní indukčnost a parazitní kapacita odporu.
Rozdělení
Z hlediska velikosti můžeme elektrické odpory rozdělit na:
- malé - do 1 Ω,
- střední - 1 Ω až 1 MΩ,
- velké - nad 1 MΩ.
Ohmova metoda
Ohmova metoda měření elektrického odporu je klasický způsob měření, při němž vypočítáváme velikost odporu měřené zátěže pomocí Ohmova zákona.
Platí vztah:
- \(R_x = \frac{U_x}{I_x}\) \( \left[\Omega ; V, A\right]\)
- \( \ U_x\) - úbytek napětí na měřeném odporu
- \( \ I_x\) - proud protékající měřeným odporem
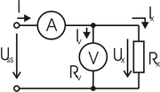
Zapojení pro malé odpory
Pro velikost měřeného odporu platí:
- \(R_x = \frac{U_x}{I_x}\)
Ampérmetr měří proud, který prochází měřeným odporem a zároveň proud, který prochází voltmetrem.
- \( \ I = I_x + I_V\)
Voltmetr měří přímo napětí na zátěži \(U_x\).
Nyní bude vzorec pro měřený odpor vypadat takto:
- \(R_x = \frac{U_x}{I - I_v}\)
Pro proud protékající voltmetrem platí:
- \(I_v = \frac{U_x}{R_V}\)
- \( \ R_V\) - vnitřní odpor voltmetru pro daný napěťový rozsah.
Pokud bychom počítali odpor zátěže pouze jako podíl hodnot naměřených voltmetrem a ampérmetrem, dopustili bychom se určité chyby metody.
Zapojení pro velké odpory
Pro velikost měřeného odporu platí:
- \(R_x = \frac{U_x}{I_x}\)
Ampérmetr měří přímo proud tekoucí zátěží \(I_x\).
Voltmetr měří součet úbytků napětí na ampérmetru i na zátěži.
- \( \ U = U_x + U_A\)
Měřený odpor se vypočte:
- \(R_x = \frac{U - U_A}{I_x}\)
Pro úbytek napětí na ampérmetru platí:
- \( \ U_A = R_A I_x\)
- \( \ R_A\) - vnitřní odpor ampérmetru pro zvolený rozsah.
Pro velikost měřeného odporu můžeme napsat vztah:
- \(R_x = \frac{U - R_A I_x}{I_x} = \frac{U}{I_x} - R_A\)
Pokud bychom počítali odpor zátěže pouze jako podíl hodnot naměřených voltmetrem a ampérmetrem, dopustili bychom se určité chyby metody.
Srovnávací metoda
Při měření odporu srovnávací metodou porovnáváme neznámý odpor s odporem známé velikosti.
Zapojení pro malé odpory
Velikost neznámého odporu zjistíme změřením úbytků napětí na jednotlivých rezistorech. Proud v obvodu musí být konstantní.
Protože oběma rezistory teče stejný proud, platí:
- \( \frac{U_x}{R_x} = \frac{U_N}{R_N} => R_x = R_N \frac{U_x}{U_N}\)
Pro relativní chybu měření platí:
- \( \delta_m = \frac{R_N - R_x}{R_x + R_V}\)
Čím více se budou hodnoty \(R_x\) a \(R_N\) sobě přibližovat, tím větší bude chyba měření. Bude-li \(R_V >> R_x\), bude chyba metody prakticky zanedbatelná. Tato metoda je velmi přesná, velikost odporu můžeme zjistit s přesností až na několik setin procenta.
Zapojení pro velké odpory
Rezistory jsou zapojené paralelně. Napětí musí být po celou dobu měření konstantní.
Velikost odporu se zjišťuje srovnáním proudů tekoucích jednotlivými rezistory. Platí:
- \(R_xI_x = R_NI_N => R_x = R_N \frac{I_N}{I_x}\)
Pro relativní chybu měření platí:
- \( \delta_m = \frac{\frac{1}{R_x} - \frac{1}{R_N}}{\frac{1}{R_A} + \frac{1}{R_N}}\)
Čím menší bude vnitřní odpor ampérmetru, tím menší bude chyba měření. Měření bude přesnější, když budou hodnoty \(R_N\) a \(R_x\) blíže u sebe.
Pro tuto metodu měření je vhodné, aby byl měřený odpor v rozsahu 1 kΩ až 1 MΩ.
Teplotní závislost
Závislost elektrického odporu vodiče na teplotě lze vyjádřit vztahem
- \( \ R = R_0(1 + \alpha \Delta t)\),
kde \(R_0\) je odpor vodiče při normální teplotě, \(\alpha\) je teplotní součinitel elektrického odporu a \(\Delta t\) je teplotní rozdíl.
Za speciálních podmínek může elektrický odpor některých látek klesnout téměř na nulu. Takovým látkám se říká supravodiče.
Výkonová ztráta
Když teče tělesem s odporem R proud I dochází k přeměně elektrické energie na teplo. Tuto přeměnu lze vyjádřit vztahem \(P = {R I^{2} } \,\), kde P je výkon měřený ve wattech, I je proud měřený v ampérech a R je odpor měřený v ohmech.
Tento jev je užitečný u zařízení jako žárovka nebo elektrické topení (přímotop), ale je nežádoucí při přenosu energie. Obvyklým způsobem redukce výkonové ztráty je užívání tlustších vodičů a vyšších napětí. Ve speciálních aplikacích se používají supravodiče.
Související články
- Rezistor
- Měrný elektrický odpor
- Dělič napětí
- Přepočet hvězda trojúhelník
- Ohmův zákon
- Přechodový odpor
Literatura
- SEDLÁK, Bedřich; ŠTOLL, Ivan. Elektřina a magnetismus. [s.l.] : [s.n.]. 650 s. ISBN 80-200-1004-1.
- Elektrotechnická měření. Redakce Libor Kubica. 1. vyd. Praha : nakladatelství BEN - technická literatura, 2002 (2006 tisk). 256 s. ISBN 80-7300-022-9. (český)
| Náklady na energie a provoz naší encyklopedie prudce vzrostly. Potřebujeme vaši podporu... Kolik ?? To je na Vás. Náš FIO účet — 2500575897 / 2010 |
|---|
| Informace o článku.
Článek je převzat z Wikipedie, otevřené encyklopedie, do které přispívají dobrovolníci z celého světa. |
